![]() |
| 雷电接口FAQ |
| 2011年年底苹果悄然发布了新一代的MacBook Pro系列笔记本产品,这代MacBook... |
![]() |
| WHPTC在大功率LED照明的应用 |
| LED灯具有色彩丰富,寿命长,节能经济环保等优点而被日益广泛应用,但是由于LED... |
![]() |
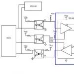
| 自恢复保险丝LED照明过流保护和热管理系统应用 |
| LED灯具有能耗低,寿命长等优势开始逐渐代替现有的白炽灯照明,但是LED照明... |
| PTC自恢复保险丝与陶瓷PTC的性能比较 |
| 聚合物PPTC的主要优点有:常温零功率电阻可以作得很小,大电流产品只有几个... |





